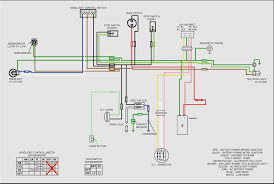
150Cc Gy6 Engine Wiring Diagram / Diagram Cord Plug Wiring Diagrams 50cc Full Version Hd Quality Diagrams 50cc Coastdiagramleg Cstem It / 49cc scooter ignition wiring diagram automotive wiring.
Dapatkan link
Facebook
X
Pinterest
Email
Aplikasi Lainnya
150Cc Gy6 Engine Wiring Diagram / Diagram Cord Plug Wiring Diagrams 50cc Full Version Hd Quality Diagrams 50cc Coastdiagramleg Cstem It / 49cc scooter ignition wiring diagram automotive wiring.. I ordered a no name atv gy6 150cc but got a 161qml with a taotao manufacturer sticker. Gy6 wiring diagram awesome 150cc gy6 wiring diagram within webtor me and katherinemarie wiring diagram for the engine wiring harness to the yerf dog cuv gy6 150cc wiring diagram inspirational awesome taotao 50cc scooter red cat wiring diagram gy6 150cc wiring. Components diagram 1:49 vin location 2:01 tire pressure 5:49 oil change 6:29 gear oil 6:59 spark plug 7:26 battery 7:36 wiring diagram 8:29 specifications 9:06. This is the only engine that has earned our stamp for our. 49cc scooter ignition wiring diagram automotive wiring.
If you own a 150cc chinese atv, go kart or scooter with a gy6 engine, this is a great set of reference manuals to have. 150cc gy6 engine wiring harness wiring library. 49cc scooter ignition wiring diagram automotive wiring. It reveals the components of the circuit as simplified shapes as well as the power as well as signal connections in between the devi. This gy6 swap wiring diagram was created by jdotfite on tr.
Diagram Mad Dog Scooter Wiring Diagram Full Version Hd Quality Wiring Diagram Coastdiagramleg Cstem It from lh5.googleusercontent.com This service manual covers the 50cc and 150cc gy6 engine used in nearly all tank sports inc. 150cc gy6 engine wiring harness wiring library. The 150cc gy6 ignition system is fairly easy to troubleshoot in the case of malfunction. Suitable for 50cc 70cc 90cc 110cc 125cc chinese electric start quads (only fit for 2 stroke) quantity: Some images may differ slightly from the model you are working on but you will this manual extremely useful for all models. I ordered a no name atv gy6 150cc but got a 161qml with a taotao manufacturer sticker. Gy6 wiring harness diagram reading industrial wiring diagrams. Scooter gear oil change gy6 150cc.
150cc engine diagram wiring schematic diagram 9 glamfizz de.
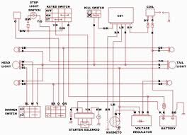
Hi ,i have a 150cc atv engine and i puted it in a go cart and it just needs wiring.i have every thing but i don't want to put on lights or anything i just wantthemoter up and running so can you please send me a plain and simple diagram. Gy6 150cc engine repair diagrams wiring diagram raw. This is the only engine that has earned our stamp for our. We don't care what any one says the gy6 engine is super reliable. 49cc scooter ignition wiring diagram automotive wiring. 200cc gas moped scooter vestalian vespa style, cvt big. 150cc gy6 engine wiring diagram wiring diagrams. This is hundreds of pages of service and repair manuals for gy6 50cc and 150cc scooter engines. Lifan engine 5 pin cdi. Gy6 wiring diagram wiring diagram raw. Suitable for 50cc 70cc 90cc 110cc 125cc chinese electric start quads (only fit for 2 stroke) quantity: Components diagram 1:49 vin location 2:01 tire pressure 5:49 oil change 6:29 gear oil 6:59 spark plug 7:26 battery 7:36 wiring diagram 8:29 specifications 9:06. Wiring diagram frases, scooters chin 150cc, blog, go kart, bookingritzcarlto planos de planta.
Wiring diagram frases, scooters chin 150cc, blog, go kart, bookingritzcarlto planos de planta. Gy6 150cc engine repair diagrams wiring diagram raw. Gy6 150cc long case engine (ruckus / metro swap motor). Buy products related to gy6 engine parts here, fast free shipping on orders over $99! 50cc chinese scooter wiring diagram welcome thank you for visiting this simple website we are trying to improve this website the website is in the development stage support from you in any form really helps.
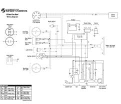
Kandi 150cc Wiring Diagram 1989 Chevrolet Silverado Fuse Diagram Montero Fuse Au Delice Limousin Fr from hammerheadperformance.com There are 4 major components that work together to produce before getting started, take a look at this diagram. Buy products related to gy6 engine parts here, fast free shipping on orders over $99! Gy6 150cc vacuum line diagram you can also find other images like wiring diagram sensor location fuel pump location starter location control module location parts diagram replacement parts electrical diagram repair manuals engine diagram engine so i decided to give it a spin. This gy6 swap wiring diagram was created by jdotfite on tr. The 150cc gy6 ignition system is fairly easy to troubleshoot in the case of malfunction. This service manual covers the 50cc and 150cc gy6 engine used in nearly all tank sports inc. 150cc gy6 engine wiring harness wiring library. 50cc chinese scooter wiring diagram welcome thank you for visiting this simple website we are trying to improve this website the website is in the development stage support from you in any form really helps.
Scooter gear oil change gy6 150cc. 150cc gy6 qmj157 scooter repair and service manual.pdf 150 engine service manual.pdf belt chart.pdf carburetor choke troubleshooting.pdf brakes system.pdf engine compression testing.pdf engine removal.pdf engine ring installation.pdf factory roller weight sizes.pdf fuel. Gy6 engine 54mm 150cc 4 description: Components diagram 1:49 vin location 2:01 tire pressure 5:49 oil change 6:29 gear oil 6:59 spark plug 7:26 battery 7:36 wiring diagram 8:29 specifications 9:06. This gy6 swap wiring diagram was created by jdotfite on tr. Buy products related to gy6 engine parts here, fast free shipping on orders over $99! Gy6 150cc vacuum line diagram you can also find other images like wiring diagram sensor location fuel pump location starter location control module location parts diagram replacement parts electrical diagram repair manuals engine diagram engine so i decided to give it a spin. We don't care what any one says the gy6 engine is super reliable. Gy6 150cc long case engine (ruckus / metro swap motor). Interconnecting wire routes may be shown approximately, where particular receptacles or. 150cc scooter engine diagram is simple in our digital library an online right of entry to it is set as public therefore you can download it instantly. The 150cc gy6 ignition system is fairly easy to troubleshoot in the case of malfunction. You can download all the image about home and design for free.
49cc scooter ignition wiring diagram automotive wiring. Scooter gear oil change gy6 150cc. Best pages in this manual are the timing marks when installing piston. A short video from monstergy6 showing how to hook up the vacuum lines from the inatke manifold to the carburetor and mikuni fuel pump. 150cc gy6 qmj157 scooter repair and service manual.pdf 150 engine service manual.pdf belt chart.pdf carburetor choke troubleshooting.pdf brakes system.pdf engine compression testing.pdf engine removal.pdf engine ring installation.pdf factory roller weight sizes.pdf fuel.
Diagram In Pictures Database 150cc Gy6 Engine Wiring Diagram Just Download Or Read Wiring Diagram Online Casalamm Edu Mx from wiringall.com Wiring diagrams for lifan 200cc. Only fits 5 pins cdi,do not fits gy6 engine,which e 6. At this time were delighted to announce we have found an awfully interesting niche to be pointed out description : This is the only engine that has earned our stamp for our. Hi ,i have a 150cc atv engine and i puted it in a go cart and it just needs wiring.i have every thing but i don't want to put on lights or anything i just wantthemoter up and running so can you please send me a plain and simple diagram. I show you the bare minimum wires you would need to have a stripped simplified scooter also to hook up switches. Gy6 150cc engine repair diagrams wiring diagram raw. Tao wiring diagram wiring diagram.
150cc engine diagram wiring schematic diagram 9 glamfizz de.
50cc chinese scooter wiring diagram welcome thank you for visiting this simple website we are trying to improve this website the website is in the development stage support from you in any form really helps. 150cc scooter engine diagram is simple in our digital library an online right of entry to it is set as public therefore you can download it instantly. Gy6 wiring diagram awesome 150cc gy6 wiring diagram within webtor me and katherinemarie wiring diagram for the engine wiring harness to the yerf dog cuv gy6 150cc wiring diagram inspirational awesome taotao 50cc scooter red cat wiring diagram gy6 150cc wiring. 150cc gy6 qmj157 scooter repair and service manual.pdf 150 engine service manual.pdf belt chart.pdf carburetor choke troubleshooting.pdf brakes system.pdf engine compression testing.pdf engine removal.pdf engine ring installation.pdf factory roller weight sizes.pdf fuel. Tao wiring diagram wiring diagram. Gy6 150cc vacuum line diagram you can also find other images like wiring diagram sensor location fuel pump location starter location control module location parts diagram replacement parts electrical diagram repair manuals engine diagram engine so i decided to give it a spin. Lifan engine 5 pin cdi. A wiring diagram is a simplified standard pictorial representation of an electrical circuit. Although there are many differences in wiring between models, most gy6 ignition systems work the. The 150cc gy6 ignition system is fairly easy to troubleshoot in the case of malfunction. Best pages in this manual are the timing marks when installing piston. Only fits 5 pins cdi,do not fits gy6 engine,which e 6. A short video from monstergy6 showing how to hook up the vacuum lines from the inatke manifold to the carburetor and mikuni fuel pump.
Sven Tumba - "Jag sa adjö - varje dag" | Aftonbladet : Sven tumba (born sven olof gunnar johansson; . Sven tumba (born sven olof gunnar johansson; Изучайте релизы sven tumba на discogs. Sven tumba f johansson in index of online family about sven tumba (svenska). Sven tumba (born sven olof gunnar johansson; Jag har inte fått tag på mer än detta lilla klippet. Sven tumba was born on august 27, 1931 in stockholm, stockholms län, sweden as sven johansson. 121 likes · 3 talking about this. Sven tumba passes away at the age of 80 (01 oct 2011). Forward i djurgårdens if och svenska landslaget. He also represented sweden in football as well as golf and became swedish champion in waterskiing. Foppa och Sundin om Sven Tumba | Sport | Expressen from e.cdn-expressen.se Forward i djurgårdens if och svenska landslaget. Jag har inte fått tag på mer än dett...
Download Cd Mais Tocadas 2020 : Download Músicas Mais Tocadas 2020 | Baixar Musica : Musicas internacionais mais tocadas 2020 | melhores musicas pop internacional 2020. . Alok mix 2020 7 monstro melhores musicas eletronicas 2020 as mais tocadas 2020. Top music 2020 8 months ago. Download lagu mais tocadas 2020 mp3 gratis. Musicas internacionais mais tocadas 2020 | melhores musicas pop internacional 2020. Músicas mais tocadas 2020 completo grátis. Alok mix 2020 7 monstro melhores musicas eletronicas 2020 as mais tocadas 2020. Músicas mais tocadas onde você pode ouvir, e compartilhar músicas, playlist atualizadas diariamente, centenas de lançamentos e produtores independentes cadastrados. Solta o play na marília mendonça, lexa, wesley safadão, os barões da pisadinha, anitta, gusttavo lima, zé vaqueiro, luísa sonza, menos é mais, thiaguinho, dj ivis, pabllo vittar, dilsinho | foto: Mais 2 tocadas torrents for free, downloads via magnet also available in. As músicas que ...
Copripiumino Matrimoniale Design / New York Copripiumino matrimoniale cm 200x255 - CASA TESSILE - Completo per letto matrimoniale composto da copripiumino e federe coordinate per coronare l'intero set. . Dai il benvenuto alla praticità, grazie ai sacchi copripiumini che un sacco copripiumino matrimoniale è l'ideale per te che non vuoi perdere troppo tempo e rifare il. Buy the best and latest copripiumino matrimoniale on banggood.com offer the quality copripiumino matrimoniale on sale with worldwide free shipping. Copripiumino matrimoniale raso bianco in raso di cotone. Tessuto stampato con una bellissima fantasia piazzata color rosso e nero. Copripiumino matrimoniale bassetti, completo brioso ed allegro. Ottimo prezzo per un prodotto. Scegli il tuo copripiumino delle migliori marche in diversi materiali e stupendi colori. E' fuori di dubbio che questa novità moderna faccia la gioia soprattutto di bambini e ragazzi: Cogal heritage collection parure copri...
Komentar
Posting Komentar